スプリンクラーについて、これまでスプリンクラー設備の概要や方式、ヘッドの種類などについて書いたことがありますが今回はスプリンクラーの配管サイズ選定について。
設備設計をする場合もそうですが、改修工事の時に渡される図面の9割が配管サイズの明記がされていない図面という印象もあるので、ある程度、配管サイズの選定をどう考えればよいかを施工管理する側が理解していないとならないという現実があります。
合わせて配管材やポンプ能力の決定の仕方についても説明していきたいと思います。

配管材とポンプ吐出量と全揚程について
配管サイズの前に配管材などについて少し書いておきます。
配管材は一般的に配管用炭素鋼鋼管SGP (JIS G 3452)を使用します。それ以外の配管材を私自身が扱ったことがないのですが合成樹脂管やステンレス鋼管も基準に適合するものは使えるようになってきています。
また地中埋設する場合は外面被覆鋼管SGP-VSなどを用いて配管します。
ポンプ吐出し量については、まず スプリンクラーヘッドと周辺部材について で紹介した「防火対象物とヘッドの種類によるヘッドの必要個数」の表からヘッドの個数を決めます。
例えば事務所で地階を除く階数が10以下の場合スプリンクラーヘッドは標準型で10個が規定の個数となります。つまり同時開放のヘッドが10個と考えるということです。
この個数に下の表、ヘッド1個あたりのポンプ吐出し量を掛け算します。
| ヘッドの個数 | 1個あたりポンプ吐出し量 |
|---|---|
| 小区型ヘッド | 60L/min |
| 小区画型以外のヘッド | 90L/min |
| ラック式倉庫 | 130L/min |
| 水道連結型用ヘッド | 20L/min |
小区画型ヘッド以外では1個当たり90L/minなので10個で900L/minの吐出し量のポンプが必要となります。
ポンプの全揚程は 消火ポンプの揚程計算 で紹介した考え方と基本は同じです。
H=h1+h2+h3+h4 を計算して考えますが、
h1:アラーム弁の圧力損失5m
h4:ヘッド放水圧力に相当する水頭 10m
に置き換えて算出します。
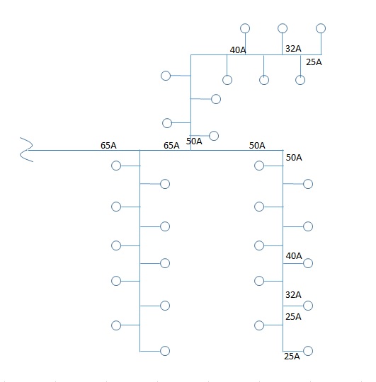
枝管配管サイズは受け持つヘッドの個数で決める
配管サイズの考え方についてですが枝管については下の表のように受け持つヘッドの個数によって決めていきます。
放水量80L/minの場合のヘッド数と枝管・管径については以下
| ヘッド数 | 2個以下 | 3個以下 | 5個以下 | 10個以下 | 20個以下 | 21個以上 | |
| 呼び径 | 25A以上 | 32A以上 | 40A以上 | 50A以上 | 65A以上 | 80A以上 |
ヘッド規定算出個数と主管管径の目安は以下の表になります。主管はポンプから最上階の分岐までの配管のことを指します。
| 規定算出個数 | 10個以下 | 20個以下 | 30個以下 | 31個以上 |
| 主管呼び径 | 100A | 125A | 150A | 200A |
上の表をもとに枝菅のサイズ選定をしてみると下図のようになります。

改修工事の場合、枝管をいじることがほとんどなので、何個のヘッドを受け持つかを確認しながら上記の表から枝管サイズを決めていけばよいです。参考にしていただければと思います!